El tiristor y el TRIAC
■ Son dos semiconductores de potencia muy utilizados en todo tipo de electrodomésticos y máquinas herramientas, como por ejemplo, batidoras, licuadoras o taladros de mano, para regular su velocidad de giro.
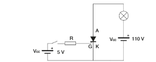
El tiristor o SCR

■ El texto describe un diodo controlado, que tiene un ánodo, un cátodo y un tercer terminal llamado puerta (G). Este terminal permite gestionar su funcionamiento con una circuitería adicional. Se menciona un ejemplo donde un tiristor controla una lámpara conectada entre el ánodo y la fuente de alimentación, con la puerta controlada por una fuente de baja tensión a través de una resistencia.